★ 재고조회 : 오른쪽 하단 말풍선 클릭 -> 실시간 재고 확인 가능 (평일 영업시간에 가능)
★ 제품 규격 : 카달로그를 다운해서 보시면 더 편리하게 확인이 가능합니다.
★ 3D 시물레이션 :
HALDER(할더) 검색 - 형번기입 - 제품페이지에서 [CAD] 탭 - 5초 대기
ELESA (엘레사) 검색 - 형번기입 - 3D Configurator
수입품의 경우 반품이 불가능하오니 치수 재확인 및 신중한 구매 부탁드리겠습니다.

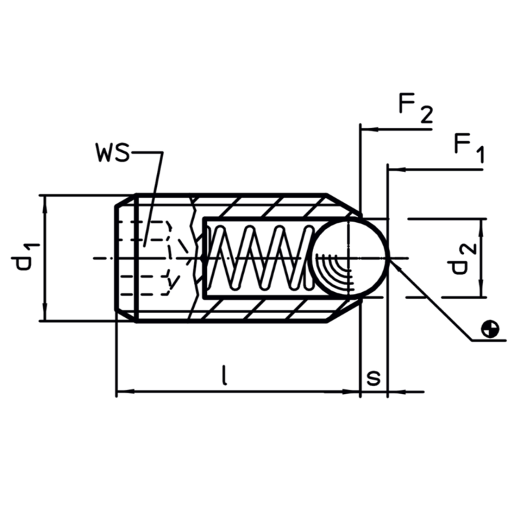
독일 HALDER 의 볼플런저 ball plunger 입니다.
몸체 : 스틸, 스텐레스스틸1.4305
볼 : 볼 베어링 스틸(경화처리), 스텐레스스틸(경화처리)
스프링 : 스테인레스스틸
스프링력 : 일반스프링력, 중하중 스프링력


주문 정보
d1 | 치수
d2 [mm] |
l | WS
[mm] | 스트로크 s
[mm] | 스프링력1)
F1 F2 ~ ~ [N] |
최대 [°C] |
[g] | 제품 번호. |
스틸, 일반 하중 스프링 |
M | 3 | 1,5 | 8 | 1,5 | 0,4 | 3,0 | 4,5 | 250 | 0,2 | 22030.0003 |
M | 4 | 2,5 | 12 | 2,0 | 0,8 | 8,5 | 14,0 | 250 | 0,6 | 22030.0004 |
M | 5 | 3,0 | 14 | 2,5 | 0,9 | 8,0 | 14,0 | 250 | 1,2 | 22030.0005 |
M | 6 | 3,5 | 15 | 3,0 | 1,0 | 11,0 | 18,0 | 250 | 1,7 | 22030.0006 |
M | 8 | 4,5 | 18 | 4,0 | 1,5 | 18,0 | 31,0 | 250 | 3,9 | 22030.0008 |
M10 | 6,0 | 23 | 5,0 | 2,0 | 24,0 | 45,0 | 250 | 8,0 | 22030.0010 |
M12 | 8,0 | 26 | 6,0 | 2,5 | 26,0 | 49,0 | 250 | 13,0 | 22030.0012 |
M16 | 10,0 | 33 | 8,0 | 3,5 | 41,0 | 86,0 | 250 | 32,0 | 22030.0016 |
M20 | 12,0 | 43 | 10,0 | 4,5 | 56,0 | 111,0 | 250 | 67,0 | 22030.0020 |
M24 | 15,0 | 48 | 12,0 | 5,5 | 81,0 | 151,0 | 250 | 105,0 | 22030.0024 |
스틸, 고하중 스프링 |
M | 3 | 1,5 | 8 | 1,5 | 0,4 | 5,0 | 9,0 | 250 | 0,3 | 22030.0043 |
M | 4 | 2,5 | 12 | 2,0 | 0,8 | 12,0 | 18,0 | 250 | 0,6 | 22030.0044 |
M | 5 | 3,0 | 14 | 2,5 | 0,9 | 15,0 | 22,0 | 250 | 1,2 | 22030.0045 |
M | 6 | 3,5 | 15 | 3,0 | 1,0 | 19,0 | 28,0 | 250 | 1,7 | 22030.0046 |
M | 8 | 4,5 | 18 | 4,0 | 1,5 | 36,0 | 62,0 | 250 | 4,0 | 22030.0048 |
M10 | 6,0 | 23 | 5,0 | 2,0 | 57,0 | 104,0 | 250 | 8,2 | 22030.0050 |
1) 통계상 평균수치임
치수 d1 d2 l [mm] | WS
[mm] | 스트로크 s
[mm] | 스프링력1)
F1 F2 ~ ~ [N] |
최대 [°C] |
[g] | 제품 번호. |
M12 | 8,0 | 26 | 6,0 | 2,5 | 61,0 | 110,0 | 250 | 13,0 | 22030.0052 |
M16 | 10,0 | 33 | 8,0 | 3,5 | 68,0 | 142,0 | 250 | 32,0 | 22030.0056 |
M20 | 12,0 | 43 | 10,0 | 4,5 | 84,0 | 166,0 | 250 | 67,0 | 22030.0060 |
M24 | 15,0 | 48 | 12,0 | 5,5 | 127,0 | 237,0 | 250 | 106,0 | 22030.0064 |
스테인리스 스틸, 일반 하중 스프링 |
M 3 | 1,5 | 8 | 1,5 | 0,4 | 3,0 | 4,5 | 250 | 0,2 | 22030.0203 |
M 4 | 2,5 | 12 | 2,0 | 0,8 | 8,5 | 14,0 | 250 | 0,6 | 22030.0204 |
M 5 | 3,0 | 14 | 2,5 | 0,9 | 8,0 | 14,0 | 250 | 1,2 | 22030.0205 |
M 6 | 3,5 | 15 | 3,0 | 1,0 | 11,0 | 18,0 | 250 | 1,7 | 22030.0206 |
M 8 | 4,5 | 18 | 4,0 | 1,5 | 18,0 | 31,0 | 250 | 4,0 | 22030.0208 |
M10 | 6,0 | 23 | 5,0 | 2,0 | 24,0 | 45,0 | 250 | 8,0 | 22030.0210 |
M12 | 8,0 | 26 | 6,0 | 2,5 | 26,0 | 49,0 | 250 | 12,0 | 22030.0212 |
M16 | 10,0 | 33 | 8,0 | 3,5 | 41,0 | 86,0 | 250 | 32,0 | 22030.0216 |
M20 | 12,0 | 43 | 10,0 | 4,5 | 56,0 | 111,0 | 250 | 67,0 | 22030.0220 |
M24 | 15,0 | 48 | 12,0 | 5,5 | 81,0 | 151,0 | 250 | 106,0 | 22030.0224 |
스텐레스 스틸, 고하중 스프링 |
M 3 | 1,5 | 8 | 1,5 | 0,4 | 5,0 | 9,0 | 250 | 0,3 | 22030.0243 |
M 4 | 2,5 | 12 | 2,0 | 0,8 | 12,0 | 18,0 | 250 | 0,6 | 22030.0244 |
M 5 | 3,0 | 14 | 2,5 | 0,9 | 15,0 | 22,0 | 250 | 1,2 | 22030.0245 |
M 6 | 3,5 | 15 | 3,0 | 1,0 | 19,0 | 28,0 | 250 | 1,8 | 22030.0246 |
M 8 | 4,5 | 18 | 4,0 | 1,5 | 36,0 | 62,0 | 250 | 4,0 | 22030.0248 |
M10 | 6,0 | 23 | 5,0 | 2,0 | 57,0 | 104,0 | 250 | 8,2 | 22030.0250 |
M12 | 8,0 | 26 | 6,0 | 2,5 | 61,0 | 110,0 | 250 | 13,0 | 22030.0252 |
M16 | 10,0 | 33 | 8,0 | 3,5 | 68,0 | 142,0 | 250 | 32,0 | 22030.0256 |
M20 | 12,0 | 43 | 10,0 | 4,5 | 84,0 | 166,0 | 250 | 67,0 | 22030.0260 |
M24 | 15,0 | 48 | 12,0 | 5,5 | 127,0 | 237,0 | 250 | 106,0 | 22030.0264 |
1) 통계상 평균수치임
| 재질 | 볼 사이즈 | 스프링력 | 품번 |
|---|
| 스틸 | M3 | 보통 | 22030.0003 |
| 스틸 | M4 | 보통 | 22030.0004 |
| 스틸 | M5 | 중 | 22030.0005 |
| 스텐레스스틸 | M6 | 중 | 22030.0006 |
| 스텐레스 스틸 | M3 | 고하중 | 22030.0243 |
★ 재고조회 : 오른쪽 하단 말풍선 클릭 -> 실시간 재고 확인 가능 (평일 영업시간에 가능)
★ 제품 규격 : 카달로그를 다운해서 보시면 더 편리하게 확인이 가능합니다.
★ 3D 시물레이션 :
HALDER(할더) 검색 - 형번기입 - 제품페이지에서 [CAD] 탭 - 5초 대기
ELESA (엘레사) 검색 - 형번기입 - 3D Configurator
수입품의 경우 반품이 불가능하오니 치수 재확인 및 신중한 구매 부탁드리겠습니다.

독일 HALDER 의 볼플런저 ball plunger 입니다.
몸체 : 스틸, 스텐레스스틸1.4305
볼 : 볼 베어링 스틸(경화처리), 스텐레스스틸(경화처리)
스프링 : 스테인레스스틸
스프링력 : 일반스프링력, 중하중 스프링력


주문 정보
d1 | 치수
d2 [mm] |
l | WS
[mm] | 스트로크 s
[mm] | 스프링력1)
F1 F2 ~ ~ [N] |
최대 [°C] |
[g] | 제품 번호. |
스틸, 일반 하중 스프링 |
M | 3 | 1,5 | 8 | 1,5 | 0,4 | 3,0 | 4,5 | 250 | 0,2 | 22030.0003 |
M | 4 | 2,5 | 12 | 2,0 | 0,8 | 8,5 | 14,0 | 250 | 0,6 | 22030.0004 |
M | 5 | 3,0 | 14 | 2,5 | 0,9 | 8,0 | 14,0 | 250 | 1,2 | 22030.0005 |
M | 6 | 3,5 | 15 | 3,0 | 1,0 | 11,0 | 18,0 | 250 | 1,7 | 22030.0006 |
M | 8 | 4,5 | 18 | 4,0 | 1,5 | 18,0 | 31,0 | 250 | 3,9 | 22030.0008 |
M10 | 6,0 | 23 | 5,0 | 2,0 | 24,0 | 45,0 | 250 | 8,0 | 22030.0010 |
M12 | 8,0 | 26 | 6,0 | 2,5 | 26,0 | 49,0 | 250 | 13,0 | 22030.0012 |
M16 | 10,0 | 33 | 8,0 | 3,5 | 41,0 | 86,0 | 250 | 32,0 | 22030.0016 |
M20 | 12,0 | 43 | 10,0 | 4,5 | 56,0 | 111,0 | 250 | 67,0 | 22030.0020 |
M24 | 15,0 | 48 | 12,0 | 5,5 | 81,0 | 151,0 | 250 | 105,0 | 22030.0024 |
스틸, 고하중 스프링 |
M | 3 | 1,5 | 8 | 1,5 | 0,4 | 5,0 | 9,0 | 250 | 0,3 | 22030.0043 |
M | 4 | 2,5 | 12 | 2,0 | 0,8 | 12,0 | 18,0 | 250 | 0,6 | 22030.0044 |
M | 5 | 3,0 | 14 | 2,5 | 0,9 | 15,0 | 22,0 | 250 | 1,2 | 22030.0045 |
M | 6 | 3,5 | 15 | 3,0 | 1,0 | 19,0 | 28,0 | 250 | 1,7 | 22030.0046 |
M | 8 | 4,5 | 18 | 4,0 | 1,5 | 36,0 | 62,0 | 250 | 4,0 | 22030.0048 |
M10 | 6,0 | 23 | 5,0 | 2,0 | 57,0 | 104,0 | 250 | 8,2 | 22030.0050 |
1) 통계상 평균수치임
치수 d1 d2 l [mm] | WS
[mm] | 스트로크 s
[mm] | 스프링력1)
F1 F2 ~ ~ [N] |
최대 [°C] |
[g] | 제품 번호. |
M12 | 8,0 | 26 | 6,0 | 2,5 | 61,0 | 110,0 | 250 | 13,0 | 22030.0052 |
M16 | 10,0 | 33 | 8,0 | 3,5 | 68,0 | 142,0 | 250 | 32,0 | 22030.0056 |
M20 | 12,0 | 43 | 10,0 | 4,5 | 84,0 | 166,0 | 250 | 67,0 | 22030.0060 |
M24 | 15,0 | 48 | 12,0 | 5,5 | 127,0 | 237,0 | 250 | 106,0 | 22030.0064 |
스테인리스 스틸, 일반 하중 스프링 |
M 3 | 1,5 | 8 | 1,5 | 0,4 | 3,0 | 4,5 | 250 | 0,2 | 22030.0203 |
M 4 | 2,5 | 12 | 2,0 | 0,8 | 8,5 | 14,0 | 250 | 0,6 | 22030.0204 |
M 5 | 3,0 | 14 | 2,5 | 0,9 | 8,0 | 14,0 | 250 | 1,2 | 22030.0205 |
M 6 | 3,5 | 15 | 3,0 | 1,0 | 11,0 | 18,0 | 250 | 1,7 | 22030.0206 |
M 8 | 4,5 | 18 | 4,0 | 1,5 | 18,0 | 31,0 | 250 | 4,0 | 22030.0208 |
M10 | 6,0 | 23 | 5,0 | 2,0 | 24,0 | 45,0 | 250 | 8,0 | 22030.0210 |
M12 | 8,0 | 26 | 6,0 | 2,5 | 26,0 | 49,0 | 250 | 12,0 | 22030.0212 |
M16 | 10,0 | 33 | 8,0 | 3,5 | 41,0 | 86,0 | 250 | 32,0 | 22030.0216 |
M20 | 12,0 | 43 | 10,0 | 4,5 | 56,0 | 111,0 | 250 | 67,0 | 22030.0220 |
M24 | 15,0 | 48 | 12,0 | 5,5 | 81,0 | 151,0 | 250 | 106,0 | 22030.0224 |
스텐레스 스틸, 고하중 스프링 |
M 3 | 1,5 | 8 | 1,5 | 0,4 | 5,0 | 9,0 | 250 | 0,3 | 22030.0243 |
M 4 | 2,5 | 12 | 2,0 | 0,8 | 12,0 | 18,0 | 250 | 0,6 | 22030.0244 |
M 5 | 3,0 | 14 | 2,5 | 0,9 | 15,0 | 22,0 | 250 | 1,2 | 22030.0245 |
M 6 | 3,5 | 15 | 3,0 | 1,0 | 19,0 | 28,0 | 250 | 1,8 | 22030.0246 |
M 8 | 4,5 | 18 | 4,0 | 1,5 | 36,0 | 62,0 | 250 | 4,0 | 22030.0248 |
M10 | 6,0 | 23 | 5,0 | 2,0 | 57,0 | 104,0 | 250 | 8,2 | 22030.0250 |
M12 | 8,0 | 26 | 6,0 | 2,5 | 61,0 | 110,0 | 250 | 13,0 | 22030.0252 |
M16 | 10,0 | 33 | 8,0 | 3,5 | 68,0 | 142,0 | 250 | 32,0 | 22030.0256 |
M20 | 12,0 | 43 | 10,0 | 4,5 | 84,0 | 166,0 | 250 | 67,0 | 22030.0260 |
M24 | 15,0 | 48 | 12,0 | 5,5 | 127,0 | 237,0 | 250 | 106,0 | 22030.0264 |
1) 통계상 평균수치임
| 재질 | 볼 사이즈 | 스프링력 | 품번 |
|---|
| 스틸 | M3 | 보통 | 22030.0003 |
| 스틸 | M4 | 보통 | 22030.0004 |
| 스틸 | M5 | 중 | 22030.0005 |
| 스텐레스스틸 | M6 | 중 | 22030.0006 |
| 스텐레스 스틸 | M3 | 고하중 | 22030.0243 |