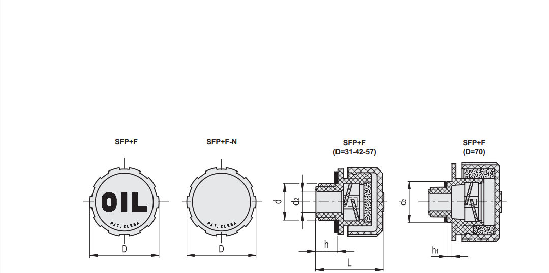
SFP+F-FIL-N 브리더 캡 (에어필터포함)

184,000원