VAD-PXX+I 포지션 인디케이터 용 핸드휠 (알류미늄, 포지티브 드라이브, 회전핸들)

211,600원

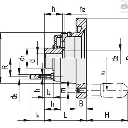
엘레사 핸드휠입니다.



카탈로그 다운로드




제조사 : 엘레사