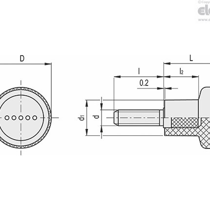
EKK-p 널링 노브 (숫나사)

35,200원

엘레사 노브입니다.



카탈로그 다운로드




제조사 : 엘레사