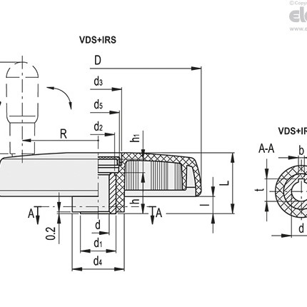
VDS+IRS 솔리드 핸드휠 (안전장치식 접이식핸들)

132,200원

엘레사 솔리드  핸드휠 입니다.



카탈로그 다운로드




제조사 : 엘레사